| Caratteristica tecnica | Significato |
|---|---|
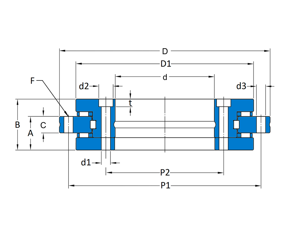
| d [mm] | Diametro interno dell'anello interno |
| D [mm] | Diametro esterno dellanello esterno |
| B [mm] | Larghezza del cuscinetto |
| A [mm] | Distance from lower side face to opposite outer ring side face |
| C [mm] | larghezza anello esterno |
| D1 [mm] | Diametro esterno dell'anello interno |
| P1 [mm] | Diametro primitivo dei fori di fissaggio esterni |
| d2 [mm] | Diametro controfori di fissaggio interni |
| P2 [mm] | Diametro primitivo dei fori di fissaggio interni |
| d1 [mm] | Diametro dei fori di fissaggio interni |
| t [mm] | Profondità controfori di fissaggio interni |
| d3 [mm] | diametro dei fori di fissaggio esterni |
| quantity | Numero di fori di fissaggio, interni ed esterni |
| F | Numero e dimensione dei fori filettati esterni per lo smontaggio |
| Axial radial runout (um) | Runout assiale e radiale del cuscinetto |
| Axial dyn. Ca [kN] | Capacità di carico dinamico assiale secondo ISO 281 |
| Radial dyn. [kN] | Capacità di carico dinamico radiale secondo ISO 281 |
| Radial sta. [kN] | Capacità di carico statico radiale secondo ISO 76 |
| Axial sta. [kN] | Capacità di carico statico assiale secondo ISO 76 |
| Axial Ka [kN/um] | Rigidezza assiale |
| Radial Kr [kN/um] | Rigidezza radiale |
| Tilting Kt [kNm/mrad] | Rigidezza a ribaltamento |
| Frictional Torque [Nm] | Coppia di attrito in funzionamento continuo |
| Max. Speed [rpm] | Velocità massima |
| Mass [kg] | Massa netta del cuscinetto, senza imballaggio |
Headquarter
Via V. Baldaccini 1
06034 Foligno (PG) - Italy
Tel +39 0742 3481
Via Londri 3
84044 Albanella (SA) - Italy
Tel. +39 0828 211 385
info@umbragroup.com
Strada di Pentima 8
05100 Terni (TR) - Italy
Tel. +39 0744 492 913/11
info.serms@umbragroup.com
Via E. Bartolomei
06034 Foligno (PG) - Italy
Tel. +39 0742 321 168
info.amco@umbragroup.com
Alte Bahnlinie 2
D-71691 Freiberg am Neckar
Tel. +49 7141 275 50
Fax +49 7141 275 530
info.kuhn@umbragroup.com
Industriestrasse 2
D-97483 Eltmann
Tel. +49 9522 7090
Fax +49 9522 709232
info.praezisionskugeln@umbragroup.com
6707 Hardeson Road
Everett WA 98203
Tel. +1 425 405 3500
Fax +1 425 405 3589
info.umbrainc@us.umbragroup.com
A licensed brand of Linear Motion LLC.
628 North Hamilton Street
Saginaw, MI 48602 – USA
Tel. +1 (989) 7598372
info.thomson@us.umbragroup.com